Челябинск

Это Ваш город?

Да
Нет
Выбран город Челябинск
Электронная почта
Региональный
8 (351) 700-70-61
По РФ, бесплатно
8(800)775-04-62 доб 8
454006, Челябинск, улица Труда
Режим работы с 7.00-20.00
WhatsApp Telegram

Проектирование маслостанции на заказ в Челябинске

Наша компания специализируется на проектировании гидростанций различного назначения. Мы разрабатываем устройства, которые способны подавать рабочую жидкость со скоростью от 5 до 250 л/мин в диапазоне давлений от 100 до 2500 бар. Проектами предусматривается установка баков для рабочей жидкости объемом от 20 до 1000 литров.
Мы проектируем маслостанции, которые могут приводить в действие производственные станки, гидравлические прессы, гильотины для резки металла, прокатные станы, поворотные механизмы, конвейеры и подъемники, системы перемещения грузов. А также ручной динамический инструмент и приспособления для ликвидации последствий аварий и спасательных работ во время стихийных бедствий.

Внешний вид гидростанций

Достоинства гидростанций нашего производства:

Безотказность в сложнейших условиях эксплуатации

Адаптируем комплектацию под Ваши потребности

Увеличенный срок службы от 10 лет

Самая низкая стоимость эксплуатации!

Сопровождение при монтаже и пусконаладке

Гарантия до 5 лет

Срок поставки гидростанции всего 3 дня

Гарантия на всю продукцию до 5 лет

Все о гидростанциях нашего производства за 48 секунд

Технические данные

Преимущество индивидуального проектирования гидравлических станций состоит в том, что на основе проекта можно изготовить оборудование с особыми техническими характеристиками, которые на 100% соответствуют предъявляемым требованиям к эксплуатации.

Возможно проектирование станций с характеристиками:

  1. Скорость подачи гидравлической жидкости от 5 до 250 л/мин. Быстрая подача масла обеспечивает работу динамических инструментов, а также стационарных технологических линий. Они могут совершать непрерывную работу в течение длительного времени по циклической схеме. При необходимости проектной документацией предусматривается установка теплообменников, которые охлаждают масло.
  2. Давление масла в исполнительных механизмах в пределах от 100 до 350 бар и выше, до 2500 бар (250 МПа). Станции высокого давления используются для обеспечения работы механизмов, создающих больше усилие. К ним подключаются прессы, подъемники, толкатели, прокольные установки и т.п. Маслостанции, подающие рабочую жидкость с давлением 350 бар и выше, дают возможность уменьшить размеры цилиндров и сократить стоимость исполнительных инструментов.
  3. Баки для масла объемом от 20 до 1000 литров. Расчет емкости бака при проектировании осуществляется на основе количества и объема гидроцилиндров и других исполнительных механизмов. Возможна установка бака из металла или пластика. Предусматриваются меры, защищающие от коррозии, а также фильтрующие элементы, обеспечивающие чистоту масла.
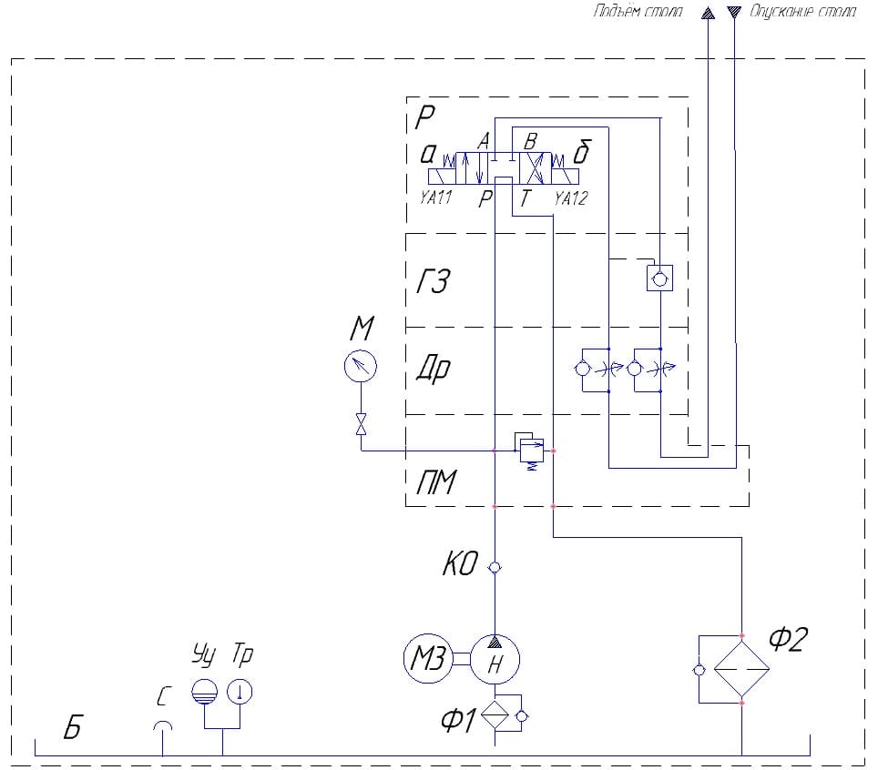
  4. В зависимости от необходимости автоматизации работы гидростанции могут использоваться распределители с ручным и электромагнитным управлением, пропорциональные распределители.

В качестве силовых агрегатов предусматривается возможность установки электромоторов постоянного и переменного тока, двигателей внутреннего сгорания на дизельном топливе и бензине, пневмо- и гидроприводов.

Получите коммерческое предложение от нашей компании. Просто заполните форму ниже!

Данные для проектирования

Создать качественный проект маслостанции можно только в том случае, если наши специалисты получат для этого необходимые первичные данные. К ним относятся:

  1. Основные параметры. Сюда включаются необходимое давление для работы исполнительных устройств, скорость подачи рабочей жидкости, емкость бака, количество и тип гидрораспределителей.
  2. Условия эксплуатации гидравлической станции. К ним относятся режим работы (кратковременный или постоянный), температура окружающего воздуха, схема функционирования при автоматическом или полуавтоматическом управлении.
  3. Характеристики исполнительных устройств. При составлении заказа указывается нужная скорость перемещения штоков цилиндров, величина оказываемой нагрузки, длина хода штока. На основе этих параметров инженеры нашей компании могут рассчитать основные характеристики гидростации.
  4. Количество исполнительных устройств. Необходимо указать количество инструментов и запитываемого оборудования. Рекомендуется предоставить паспортные данные и техническую документацию на оборудование.

Внешний вид гидростанций

Особенности проектирования

Проектом предусматривается сборка станции из отдельных узлов. Основными из них являются насос и силовой агрегат. Кроме того, в зависимости от комплектации возможна установка контрольных и предохранительных устройств – датчиков давления, температуры, расхода и т.п. Для поддержания чистоты рабочей жидкости используются фильтры тонкой очистки.

Для изготовления устройств используются комплектующие ведущих мировых производителей. Большой ассортимент устройств позволяет подобрать те модели, которые идеально подходят для конкретной сферы применения. При выборе учитывается соотношение цены и характеристик.

Возможны два варианта:

  1. Дорогое оборудование известных брендов. Используется для комплектования ответственных узлов, которые работают под высокой нагрузкой. Здесь высокая цена компенсируется большей надежностью и длительным сроком эксплуатации. Кроме того, качество влияет и на безопасность работы. К таким устройствам относится насос, распределитель, клапаны.
  2. Устройства менее известных брендов по доступным ценам. Такие детали используются для изготовления узлов, работающих при малой нагрузке. Компоненты не ломаются, так как работают в облегченном режиме. А низкая цена позволяет сбалансировать общую стоимость оборудования. Менее нагруженными устройствами является монтажная плита для установки гидрораспределителей, измерительные устройства, соединительные устройства и штуцеры.

При необходимости наши специалисты проектируют уникальные узлы, которые необходимы для эксплуатации станций в особых условиях или их монтажа в ограниченном пространстве, на колесной базе и т.п.

Приобрести проект гидросистемы в Челябинске

Хотите заказать услугу проектирования гидравлических станций? Позвоните нашим менеджерам по телефону, указанному на сайте. Инженеры нашей компании имеют специальное техническое образование и опыт работы по разработке проектов маслостанций для различных сфер и условий применения.

Мы разрабатываем проекты с учетом действующих государственных стандартов России, а также международных норм производственной безопасности и охраны окружающей среды. Предоставляем услуги по изготовлению станций по нашим проектам, а также осуществляем контроль за производством по нашим чертежам. При необходимости даем консультации по интеграции маслостанций в существующие производственные процессы.

Для связи с менеджерами воспользуйтесь формой обратной связи или номером телефона из раздела «Контакты».

Получите коммерческое предложение от нашей компании. Просто заполните форму ниже!